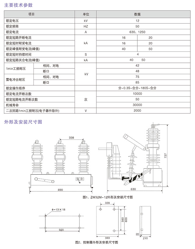
|
ZW32M-12系列户外高压永磁真空断路器
ZW32M-12系列户外高压永磁真空断路器
ZW32M-12系列户外高压永磁真空断路器为额定电压为12kV,三相交流50Hz的户外配电设备。主要用于开断、关合系统中的负荷电流、过载电流及短路电流。适用于变电站及工矿企业配电系统中作保护和控制之用,及农村电网频繁操作的场所。
主要功能特点
1、智能化控制功能:该断路器具有就地开关状态控制、三段式过流保护、三次自动重合闸等功能外,还有RS一485通讯接口能实现遥测、遥调、遥控、遥讯等功能,适用于各种规模的自动化配电系统。
2、永磁式操作机构:本断路器采用目前最先进的永磁式操作机构,机构零部件不磨损,其机械 寿命可达到30000次,是普通弹簧机构的3倍。由于永磁机构机械零件数量比弹簧机构减小了70%,开关的可靠性得到大幅度提高。
3、全密封的结构设计:该断路器的真空灭弧室,操作机构及操作连杆全密封在断路器底座内,解决了凝露对断路器零件的锈蚀,产品可以达到10年内免维护。
4、小型化结构:断路器采用新型复合固体绝缘材料,将真空灭弧室、主导电回路、绝缘支撑等有机地组合成为一个集成固封极柱,彻底解决了真空灭弧室小型化与满足外绝缘要求的矛盾。 整个产品设计先进合理,结构紧凑,内部无凝露,机构无锈蚀。

